Fura ez, mert harmincsok éve a BEAG HOX40-eken is kiment a színpadkép a bal hangsugárzótól még balra (East: Játékok című lp-n hallgatva). Lakótelepi szobában, Orion SE1025-tel hajtva a BEAG-okat.halfej1980 írta: ↑2024.01.11., csüt. 20:57Köszönöm mindkettőtöknek. Biztosan akusztikai problémám van 16.5 négyzetméter a szoba, sajnos ez van. A polcsugárzók nem szimpatikusak. A színpad ami van egyébként nem rossz, szépen el van szeparálva. Még egy picike mélységérzet is van, bár ez elhanyagolható. Viszont nem birok megbékélni azzal, hogy a szélek simán érezhetően a hangsugárzóra koncentrálodik. Akaratlanul is mindig odanézek. Szóval ez okoz hiányérzetet. Ha csak picit túlnyúlna, teljesen elégedett lennék. Így viszont vagy megszokom, vagy eladom:) A kocsimtól nem tudok elvonatkoztatni sajnos. Ott is a mélyközepeknél van a színpad vége, de soha nem a hangszóróból hallom a széleket, hanem picit lentebb/fentebb:( Akkor ezen mondjuk egy Gustard R26 sem segít, amiről odák vannak, hogy milyen mély, milyen széles és precíz színpadot rajzol:)
Pali923: neked is köszi:)
Annak érdekében, hogy fenntartsuk ezt a szigetet, szükségünk van bevételre. Te is támogathatsz minket, ha azt szeretnéd, hogy sokáig és stabilan tudjunk működni. Amennyiben élsz ezzel a lehetőséggel, azt mi megköszönjük!
Sztereó erősítők
-
KLajos
- Nincs visszaút

- Hozzászólások: 195
- Csatlakozott: 2020.07.10., pén. 05:07
- Értékelés: 94
- Tartózkodási hely: Budapest
Re: Sztereó erősitők
- dixie-chicken
- V.I.P.

- Hozzászólások: 5027
- Csatlakozott: 2007.03.16., pén. 20:56
- Értékelés: 2735
- Tartózkodási hely: Kistarcsa
Re: Sztereó erősitők
,halfej1980 írta: ↑2024.01.11., csüt. 21:42Mesterséges e, azt nem tudom. Az biztos, hogy nagyon nagyon jó. Nagyon össze van rakva a kocsi:) Idén én nyertem az SQ bajnokságot, de ezzel nem untatok senkit. Ha valaki Szolnokon jár és kíváncsi, nagyon szivesen megmutatom.mishow írta: ↑2024.01.11., csüt. 21:29A tesztek külön kiemelik, hogy a GX200-nak milyen nagy tere van - tehát a baj ott lesz a szobában valahol.
Lehet, hogy a hallgató pozíciód nem jó, de előfordulhat, hogy már a forrásnál elveszik valami.
Vagy …. írod, hogy az autó az “etalon”. Nem lehetséges, hogy ott túlságosan mesterséges a tér, és megszokta a füled?
Csak tippelgetek![]()
A Hegelt 2 napja vettem, A H95 kistesót meghalgattam. Egy Fine Audio F501 volt és aránytalanul egy 2 milliós Auralic streamer-ről ment. Ott viszont már a mélységérzet is nagyon megvolt, egyszóval ott nagyon tetszett amit hallottam. De nem fogok most pl egy r26-ot rendelni lutrira:) No mindegy, tényleg köszönöm a segítséget, majd kialakul valami:)
nem szeretnék belekontárkodni,tavaly egy kereskedői szeánszon ahol optimális elhelyezésben volt az X hangszoró,egy hangszorókábel cserénél (és csak az lett cserélve,semmi más) az Y kábel használatával,nagyon széles,levegős hangkép volt,jóval szélesebb volt a szinpad mint a 2 hangszoró távolsága, a Z kábel használatával meg jobban a 2 hangszoró közé volt helyezve a hangkép,arányosan változott a szinpad mélysége is a 2 hangszorókábelnél...mondjuk,nem volt olcsó sem az Y,sem a Z kábel...
Technics SL1300G,MoFi Mastertracker,Michael Fidler MM Pro,Musical Fidelity M6Si,Tannoy D700S2...digitális:Marantz CD17KIS,Tidal/Teac UD-503
...it's only rock 'n' roll (but i like it)
...it's only rock 'n' roll (but i like it)
- halfej1980
- Kezdő Fórumlakó

- Hozzászólások: 280
- Csatlakozott: 2017.12.12., kedd 17:08
- Értékelés: 24
Re: Sztereó erősitők
Mesterséges e, azt nem tudom. Az biztos, hogy nagyon nagyon jó. Nagyon össze van rakva a kocsi:) Idén én nyertem az SQ bajnokságot, de ezzel nem untatok senkit. Ha valaki Szolnokon jár és kíváncsi, nagyon szivesen megmutatom.mishow írta: ↑2024.01.11., csüt. 21:29A tesztek külön kiemelik, hogy a GX200-nak milyen nagy tere van - tehát a baj ott lesz a szobában valahol.
Lehet, hogy a hallgató pozíciód nem jó, de előfordulhat, hogy már a forrásnál elveszik valami.
Vagy …. írod, hogy az autó az “etalon”. Nem lehetséges, hogy ott túlságosan mesterséges a tér, és megszokta a füled?
Csak tippelgetek![]()
A Hegelt 2 napja vettem, A H95 kistesót meghalgattam. Egy Fine Audio F501 volt és aránytalanul egy 2 milliós Auralic streamer-ről ment. Ott viszont már a mélységérzet is nagyon megvolt, egyszóval ott nagyon tetszett amit hallottam. De nem fogok most pl egy r26-ot rendelni lutrira:) No mindegy, tényleg köszönöm a segítséget, majd kialakul valami:)
Online
- mishow
- V.I.P.

- Hozzászólások: 4756
- Csatlakozott: 2007.11.13., kedd 22:13
- Értékelés: 2605
- Tartózkodási hely: Jászberény
Re: Sztereó erősitők
A tesztek külön kiemelik, hogy a GX200-nak milyen nagy tere van - tehát a baj ott lesz a szobában valahol.
Lehet, hogy a hallgató pozíciód nem jó, de előfordulhat, hogy már a forrásnál elveszik valami.
Vagy …. írod, hogy az autó az “etalon”. Nem lehetséges, hogy ott túlságosan mesterséges a tér, és megszokta a füled?
Csak tippelgetek
Lehet, hogy a hallgató pozíciód nem jó, de előfordulhat, hogy már a forrásnál elveszik valami.
Vagy …. írod, hogy az autó az “etalon”. Nem lehetséges, hogy ott túlságosan mesterséges a tér, és megszokta a füled?
Csak tippelgetek
- halfej1980
- Kezdő Fórumlakó

- Hozzászólások: 280
- Csatlakozott: 2017.12.12., kedd 17:08
- Értékelés: 24
Re: Sztereó erősitők
Igen, szépen középről, még szellősnek is mondanám. Simán kivehető, ki hol áll a színpadon. Ezzel tényleg semmi probléma nincs. Úgy szoktam megfogalmazni, hogy teljesen kitölti a fülem a zene:) Ráadásul a Hegel iszonyat jól bánik a mélyel is. Tényleg nagyon tetszene, ha csak picit szélesebb lenne az a fránya színpad.asebestyen írta: ↑2024.01.11., csüt. 21:18Ok. A mono középről szól? Csak mert az oldalsó falaktól távolság az 1 dolog, lehet közelebb kell őket húzni egymáshoz.halfej1980 írta: ↑2024.01.11., csüt. 21:13Bocsánat, azt nem írtam, hogy a MA Gold manuálban található ajánlást használtam az elhelyezésnél. Oldalfalaktól 90-90cm hátsó faltól pedig 60cm. Így van az a színpad amit felvázoltam. De az előtte lévő elhelyezéshez képest sokat javult, de itt sincs túlnyúló színpad:(
Online
- asebestyen
- V.I.P.

- Hozzászólások: 6266
- Csatlakozott: 2017.11.26., vas. 10:59
- Értékelés: 7815
- Tartózkodási hely: Bokod
Re: Sztereó erősitők
Ok. A mono középről szól? Csak mert az oldalsó falaktól távolság az 1 dolog, lehet közelebb kell őket húzni egymáshoz.halfej1980 írta: ↑2024.01.11., csüt. 21:13Bocsánat, azt nem írtam, hogy a MA Gold manuálban található ajánlást használtam az elhelyezésnél. Oldalfalaktól 90-90cm hátsó faltól pedig 60cm. Így van az a színpad amit felvázoltam. De az előtte lévő elhelyezéshez képest sokat javult, de itt sincs túlnyúló színpad:(
Alces 6 | Mac Mini M1 | RME ADI-2 DAC FS | Genelec 1031APM aktív monitorok
- halfej1980
- Kezdő Fórumlakó

- Hozzászólások: 280
- Csatlakozott: 2017.12.12., kedd 17:08
- Értékelés: 24
Re: Sztereó erősitők
Bocsánat, azt nem írtam, hogy a MA Gold manuálban található ajánlást használtam az elhelyezésnél. Oldalfalaktól 90-90cm hátsó faltól pedig 60cm. Így van az a színpad amit felvázoltam. De az előtte lévő elhelyezéshez képest sokat javult, de itt sincs túlnyúló színpad:(asebestyen írta: ↑2024.01.11., csüt. 21:05Egy próba erejéig tedd a dobozokat olyan helyre, hogy legalább 50cm-re tőlük ne legyen semmilyen visszaverő felület és forgasd be őket a hallgatási pozícióba, ami szintén olyan helyen legyen, ahol nincs közvetlenül semmilyen visszaverő felület, tehát ne a fal tövébe ülj. Ha így jobb a színpad, akkor akusztikai probléma.halfej1980 írta: ↑2024.01.11., csüt. 20:57Köszönöm mindkettőtöknek. Biztosan akusztikai problémám van 16.5 négyzetméter a szoba, sajnos ez van. A polcsugárzók nem szimpatikusak. A színpad ami van egyébként nem rossz, szépen el van szeparálva. Még egy picike mélységérzet is van, bár ez elhanyagolható. Viszont nem birok megbékélni azzal, hogy a szélek simán érezhetően a hangsugárzóra koncentrálodik. Akaratlanul is mindig odanézek. Szóval ez okoz hiányérzetet. Ha csak picit túlnyúlna, teljesen elégedett lennék. Így viszont vagy megszokom, vagy eladom:) A kocsimtól nem tudok elvonatkoztatni sajnos. Ott is a mélyközepeknél van a színpad vége, de soha nem a hangszóróból hallom a széleket, hanem picit lentebb/fentebb:( Akkor ezen mondjuk egy Gustard R26 sem segít, amiről odák vannak, hogy milyen mély, milyen széles és precíz színpadot rajzol:)
Pali923: neked is köszi:)
Online
- asebestyen
- V.I.P.

- Hozzászólások: 6266
- Csatlakozott: 2017.11.26., vas. 10:59
- Értékelés: 7815
- Tartózkodási hely: Bokod
Re: Sztereó erősitők
Egy próba erejéig tedd a dobozokat olyan helyre, hogy legalább 50cm-re tőlük ne legyen semmilyen visszaverő felület és forgasd be őket a hallgatási pozícióba, ami szintén olyan helyen legyen, ahol nincs közvetlenül semmilyen visszaverő felület, tehát ne a fal tövébe ülj. Ha így jobb a színpad, akkor akusztikai probléma.halfej1980 írta: ↑2024.01.11., csüt. 20:57Köszönöm mindkettőtöknek. Biztosan akusztikai problémám van 16.5 négyzetméter a szoba, sajnos ez van. A polcsugárzók nem szimpatikusak. A színpad ami van egyébként nem rossz, szépen el van szeparálva. Még egy picike mélységérzet is van, bár ez elhanyagolható. Viszont nem birok megbékélni azzal, hogy a szélek simán érezhetően a hangsugárzóra koncentrálodik. Akaratlanul is mindig odanézek. Szóval ez okoz hiányérzetet. Ha csak picit túlnyúlna, teljesen elégedett lennék. Így viszont vagy megszokom, vagy eladom:) A kocsimtól nem tudok elvonatkoztatni sajnos. Ott is a mélyközepeknél van a színpad vége, de soha nem a hangszóróból hallom a széleket, hanem picit lentebb/fentebb:( Akkor ezen mondjuk egy Gustard R26 sem segít, amiről odák vannak, hogy milyen mély, milyen széles és precíz színpadot rajzol:)
Pali923: neked is köszi:)
Alces 6 | Mac Mini M1 | RME ADI-2 DAC FS | Genelec 1031APM aktív monitorok
- halfej1980
- Kezdő Fórumlakó

- Hozzászólások: 280
- Csatlakozott: 2017.12.12., kedd 17:08
- Értékelés: 24
Re: Sztereó erősitők
Köszönöm mindkettőtöknek. Biztosan akusztikai problémám van 16.5 négyzetméter a szoba, sajnos ez van. A polcsugárzók nem szimpatikusak. A színpad ami van egyébként nem rossz, szépen el van szeparálva. Még egy picike mélységérzet is van, bár ez elhanyagolható. Viszont nem birok megbékélni azzal, hogy a szélek simán érezhetően a hangsugárzóra koncentrálodik. Akaratlanul is mindig odanézek. Szóval ez okoz hiányérzetet. Ha csak picit túlnyúlna, teljesen elégedett lennék. Így viszont vagy megszokom, vagy eladom:) A kocsimtól nem tudok elvonatkoztatni sajnos. Ott is a mélyközepeknél van a színpad vége, de soha nem a hangszóróból hallom a széleket, hanem picit lentebb/fentebb:( Akkor ezen mondjuk egy Gustard R26 sem segít, amiről odák vannak, hogy milyen mély, milyen széles és precíz színpadot rajzol:)
Pali923: neked is köszi:)
Pali923: neked is köszi:)
Re: Sztereó erősitők
Ez szerintem is ezer dologtól függhet, talán az akusztikai helytől leginkább. Én pl. azért tartottam meg 2 közül ezt a streamert, amit használok, mert nagyon széles és tágas színpadképe van az elődjéhez képest. Pedig semmi más nem változott a rendszerben, és mégis. Vagyis nem csak az erősítő és a hangfal számít.halfej1980 írta: ↑2024.01.11., csüt. 20:23De egy Hegel H190 és egy Monitor Audio Gold GX 200-tól nem elvárható, hogy a színpad túlnyúljón a hangsugárzókon?
erősítő: LZ 7, cd: Marantz CD5000 modifikált, dvd: Cambridge Audio DVD89, lemezjátszó: REGA Planar2+RB250 AN kábel+Roksan Corus Black+Orbit2+Heed Quasar streamer: Electrocompaniet RENA S1+Schiit Bifrost Multibit, hangfal: Triangle Antal EX, kábel: Wireworld, Chord, Valhalla
- Vinkler
- Adminisztrátor

- Hozzászólások: 14443
- Csatlakozott: 2011.02.13., vas. 23:02
- Értékelés: 9562
- Tartózkodási hely: Szentendre
Re: Sztereó erősitők
Ez így önmagában nem túl sok infó, de a hiányosság, amit emlegetsz, inkább elhelyezési anomália.halfej1980 írta: ↑2024.01.11., csüt. 20:23Sziasztok. Nagyon kezdő otthoni hifis vagyok. De egy Hegel H190 és egy Monitor Audio Gold GX 200-tól nem elvárható, hogy a színpad túlnyúljón a hangsugárzókon? Nekem teljesen a két hangfal közt marad a szímpad:(
Apple / PS Audio / Linn / Parasound / Diy Active ATC
Gyertyára sem vet rossz fényt az, hogy fogyton fogy, amíg világít. / Fodor Ákos
Gyertyára sem vet rossz fényt az, hogy fogyton fogy, amíg világít. / Fodor Ákos
- BLX
- Törzsvendég

- Hozzászólások: 1365
- Csatlakozott: 2017.12.11., hétf. 20:17
- Értékelés: 1051
- Tartózkodási hely: Budapest
Re: Sztereó erősitők
Ez sok mindentől függhet. Számíthat a szoba/környezet, akusztika, a cucc, illetve a felvétel, amit hallgatsz.halfej1980 írta: ↑2024.01.11., csüt. 20:23Sziasztok. Nagyon kezdő otthoni hifis vagyok. De egy Hegel H190 és egy Monitor Audio Gold GX 200-tól nem elvárható, hogy a színpad túlnyúljón a hangsugárzókon? Nekem teljesen a két hangfal közt marad a szímpad:(
Az egész arról szól, hogy a két "pontszerű" hangforrás (két db hangdoboz), hogyan tudja a füleiden keresztül becsapni az agyad, ahol ezek az "extra színpadok" így létrejöhetnek. Nézz meg pár videót, leírást a helyes sztereó hifi elhelyezésről. Minden jobb hangfalgyártónak vannak ilyen leírásai. Kezdésnek nagyon jó szetted van, ezen is szép sztereót kell hallanod. Vannak persze olyan hifi komponensek, amelyek képesek még nagyobb színpadot varázsolni, olyat is akár, amit a hangfelvétel alkotói sem terveztek. Van akinek ez tetszik, van akinek ez már sok.
- halfej1980
- Kezdő Fórumlakó

- Hozzászólások: 280
- Csatlakozott: 2017.12.12., kedd 17:08
- Értékelés: 24
Re: Sztereó erősitők
Sziasztok. Nagyon kezdő otthoni hifis vagyok. De egy Hegel H190 és egy Monitor Audio Gold GX 200-tól nem elvárható, hogy a színpad túlnyúljón a hangsugárzókon? Nekem teljesen a két hangfal közt marad a szímpad:(
Re: Sztereó erősitők
gomolalaci írta: ↑2024.01.08., hétf. 20:35KIBalage84 írta: ↑2024.01.07., vas. 19:16Szia!antizigün írta: ↑2024.01.03., szer. 11:42sziasztok,
tanácsot kérnék, ezt is figyelembe venném a meghallgatás mellett (ha sikerül)
egy entry level erősítőt (520AE) cserélnék jobbra, kettőre szűkült, amiből választanék
- audiolab 6000A
- arcam sa10
mivel párosodna?
lemezjátszó, dekk és cd-player
KEF Coda 9
köszönöm szépen, minden visszajelzésnek örülök
Én az Audiolab 6000A-t venném.
De miért gondolod, hogy a Denon-tól ez nagy előrelépés lesz?
,,entry level" ez belépő szintűt jelent? Magyarul írj, ha kérhetem! Ez az ország NEM amerika! Hála Istennek!!!
BE
Off
Hihihi, hahaha és kunc-kunc-kunc…
On
Munkaidőben vagyok, ráérek :-]
Re: Sztereó erősitők
Bár nincs a felsoroltak közt , én egy JapanVictorCompany típust ajánlanék azok közül is a Ninja sorozatból...típusszám nem jut eszembe bármelyik Jó!gomolalaci írta: ↑2024.01.08., hétf. 20:35KIBalage84 írta: ↑2024.01.07., vas. 19:16Szia!antizigün írta: ↑2024.01.03., szer. 11:42sziasztok,
tanácsot kérnék, ezt is figyelembe venném a meghallgatás mellett (ha sikerül)
egy entry level erősítőt (520AE) cserélnék jobbra, kettőre szűkült, amiből választanék
- audiolab 6000A
- arcam sa10
mivel párosodna?
lemezjátszó, dekk és cd-player
KEF Coda 9
köszönöm szépen, minden visszajelzésnek örülök
Én az Audiolab 6000A-t venném.
De miért gondolod, hogy a Denon-tól ez nagy előrelépés lesz?
,,entry level" ez belépő szintűt jelent? Magyarul írj, ha kérhetem! Ez az ország NEM amerika! Hála Istennek!!!
BE
Acoustic Research Status S 20
Videoton RT 7300 S
Sony TC RX 77
Onkyo CR 70R
Chario Syntar 100 ,Söund Arts
Akai AA 39
Hitachi HT-324/Ortofon OMB5E
Videoton RT 7300 S
Sony TC RX 77
Onkyo CR 70R
Chario Syntar 100 ,Söund Arts
Akai AA 39
Hitachi HT-324/Ortofon OMB5E
-
gomolalaci
- Fórumlakó

- Hozzászólások: 935
- Csatlakozott: 2018.05.14., hétf. 08:52
- Értékelés: 370
- Tartózkodási hely: Szada
Re: Sztereó erősitők
KIBalage84 írta: ↑2024.01.07., vas. 19:16Szia!antizigün írta: ↑2024.01.03., szer. 11:42sziasztok,
tanácsot kérnék, ezt is figyelembe venném a meghallgatás mellett (ha sikerül)
egy entry level erősítőt (520AE) cserélnék jobbra, kettőre szűkült, amiből választanék
- audiolab 6000A
- arcam sa10
mivel párosodna?
lemezjátszó, dekk és cd-player
KEF Coda 9
köszönöm szépen, minden visszajelzésnek örülök
Én az Audiolab 6000A-t venném.
De miért gondolod, hogy a Denon-tól ez nagy előrelépés lesz?
,,entry level" ez belépő szintűt jelent? Magyarul írj, ha kérhetem! Ez az ország NEM amerika! Hála Istennek!!!
BE
A gondolkodás nem megerőltető...
- Balage84
- Kezdő Fórumlakó

- Hozzászólások: 354
- Csatlakozott: 2009.09.16., szer. 12:02
- Értékelés: 66
- Tartózkodási hely: Kisbér
Re: Sztereó erősitők
Szia!antizigün írta: ↑2024.01.03., szer. 11:42sziasztok,
tanácsot kérnék, ezt is figyelembe venném a meghallgatás mellett (ha sikerül)
egy entry level erősítőt (520AE) cserélnék jobbra, kettőre szűkült, amiből választanék
- audiolab 6000A
- arcam sa10
mivel párosodna?
lemezjátszó, dekk és cd-player
KEF Coda 9
köszönöm szépen, minden visszajelzésnek örülök
Én az Audiolab 6000A-t venném.
De miért gondolod, hogy a Denon-tól ez nagy előrelépés lesz?
- tunerman
- V.I.P.

- Hozzászólások: 3061
- Csatlakozott: 2007.09.21., pén. 17:26
- Értékelés: 3020
- Tartózkodási hely: Tatabánya
Re: Sztereó erősitők
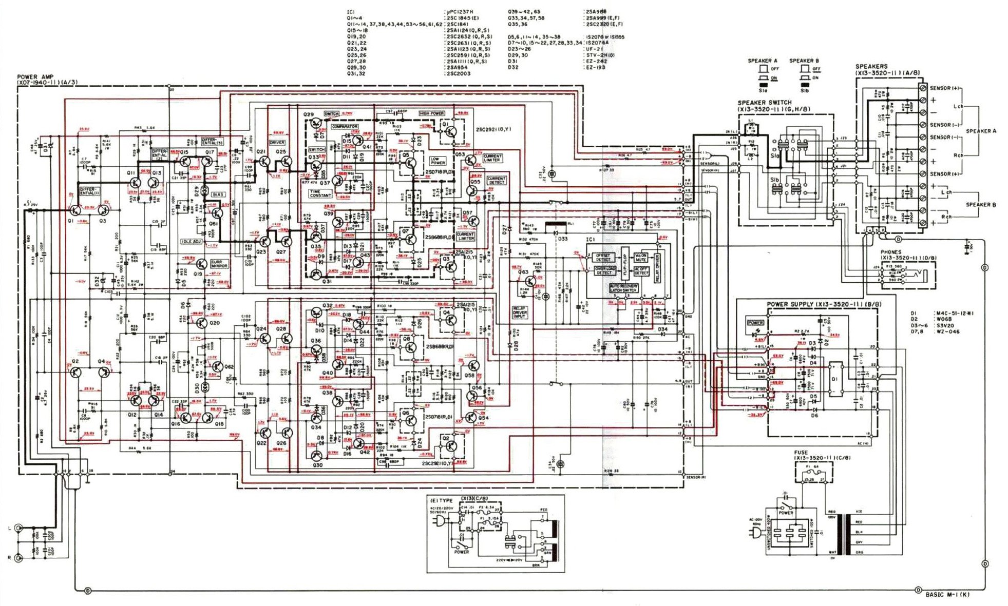
Csak az erősítőkapcsolások világában jártas érdeklődőknek:
viewtopic.php?f=100&t=190438&p=2844648#p2844648
viewtopic.php?f=100&t=190438&p=2844648#p2844648
LP: Lurné J1/Air Tangent 1B/Kiseki Agaat, PHONO: Twin Servo MCRIAA, AMPLIFIER: 2SK180 unity coupled SE, CD: Philips CD100 trial run no NFB, TUNER: REL Precedent, CASSETTE: Nakamichi 1000/II, REEL: StellaMaster(SP-8) SPEAKER: Lowther P7M silver vc, TICONAL, HEADPHONES: Stax SRA-14S/SR-009
Re: Nakamichi PA-7E végerősítő 2 X 200W
mégegyszer megerősítve az általad is beidézetteket: semmi egyebet nem állítottam, mint hogy amit wittao írt, nem teljesen úgy vantunerman írta: ↑2024.01.04., csüt. 10:05Ugyan ez nem az erősítők topikja, de a Nakamichi PA-7E pont azt részt hagyta ki a "Stasis" alapkapcsolásból ami annak a leggyengébb pontja....és amiatt megy tönkre szinte kivétel nélkül mindegyik eredetide - hogy tisztába tegyük a dolgokat - sem ez, sem az MkII nem "STASIS kapcsolással, egyenesen Nelson Pass keze alól" származnak![]()
Tehát végülis a Nakamichi PA-7E megbízhatóbb és jobb hangú mint az "eredeti" stasis erősítők![]()
TJ.
védd a fákat> egyél hódot! ;-)))
Re: Sztereó erősitők
sziasztok,
tanácsot kérnék, ezt is figyelembe venném a meghallgatás mellett (ha sikerül)
egy entry level erősítőt (520AE) cserélnék jobbra, kettőre szűkült, amiből választanék
- audiolab 6000A
- arcam sa10
mivel párosodna?
lemezjátszó, dekk és cd-player
KEF Coda 9
köszönöm szépen, minden visszajelzésnek örülök
tanácsot kérnék, ezt is figyelembe venném a meghallgatás mellett (ha sikerül)
egy entry level erősítőt (520AE) cserélnék jobbra, kettőre szűkült, amiből választanék
- audiolab 6000A
- arcam sa10
mivel párosodna?
lemezjátszó, dekk és cd-player
KEF Coda 9
köszönöm szépen, minden visszajelzésnek örülök
Re: Nakamichi PA-7E végerősítő 2 X 200W
tárgyilagos info-t közöltem, s (én) nem szeretném elvinni a hirdetés témájától a fonalat a továbbiakban sem
védd a fákat> egyél hódot! ;-)))
Re: Nakamichi PA-7E végerősítő 2 X 200W
Es a jogvita utan hogyan hasznalhattak tovabbra is?
:
:
Core Audio termékek gyártása, TARA LABS kábelek forgalmazása
MBL, PrimaLuna, PASS Labs, ODEON, NAT Audio, Vivid, Entreq, Esoteric
MBL, PrimaLuna, PASS Labs, ODEON, NAT Audio, Vivid, Entreq, Esoteric
Re: Nakamichi PA-7E végerősítő 2 X 200W
ez egy klassz végfok
, de - hogy tisztába tegyük a dolgokat - sem ez, sem az MkII nem "STASIS kapcsolással, egyenesen Nelson Pass keze alól" származnak
. hirtelen a N.P.-sal/ról/kapcsolatban készült lementett anyagaimból 3-at beidézek (http://www.audiophileaddicts.com/2015/0 ... amplifier/ , https://www.tonepublications.com/old-sc ... amplifier/ , https://audioxpress.com/article/Intervi ... elson-Pass ), amikből kiderül, hogy az első, 'sima' 7-es Nakamichi-nek volt a fentiek szerint köze Pass-hoz, s hogy egy jogi vitát követően mind az MkII, mind az E már az eredeti átdolgozott verziói lettek 
de, és megerősítem, attól ez még egy igen jó erősítő
de, és megerősítem, attól ez még egy igen jó erősítő
védd a fákat> egyél hódot! ;-)))
Re: Nakamichi PA-7E végerősítő 2 X 200W
No ez egy igen komoly erősítő! STASIS kapcsolással, egyenesen Nelson Pass keze alól.
Nekem a 2x225W PA7II verzió volt, zseniális darab.
CA7 előfokával együtt sok rendszerben hiányérzet nélkül élvezheti az új tulaj éveken keresztül.
Nekem a 2x225W PA7II verzió volt, zseniális darab.
CA7 előfokával együtt sok rendszerben hiányérzet nélkül élvezheti az új tulaj éveken keresztül.
Core Audio termékek gyártása, TARA LABS kábelek forgalmazása
MBL, PrimaLuna, PASS Labs, ODEON, NAT Audio, Vivid, Entreq, Esoteric
MBL, PrimaLuna, PASS Labs, ODEON, NAT Audio, Vivid, Entreq, Esoteric
- tamagaba
- Törzsvendég

- Hozzászólások: 1412
- Csatlakozott: 2021.11.07., vas. 18:03
- Értékelés: 634
- Tartózkodási hely: Göd
- Kapcsolat:
Re: Sztereó erősitők
Ha már így témánál vagyunk olvastam erről a fejlesztésről, van egy elég részletes pdf a neten
Úgy értem, hogy az NFB-t kiterjeszti a hangdoboz csatlakozóig - relék, csatlakozók, kábelezés által bevitt torzítás és megy vissza a jel a diff erősítő részhez, ott kioltás, zaj eliminálás stb. Alacsony kivezérlésen is legyen dinamika
Nagyon látványos a magyarázat, az a kérdés, hogy ez máshol miért nem terjedt el, miért nem szabadalmaztatta a gyártó?
Egyébként a mai integráltakba ugyan úgy benne van, csak az IC lábáig
Úgy értem, hogy az NFB-t kiterjeszti a hangdoboz csatlakozóig - relék, csatlakozók, kábelezés által bevitt torzítás és megy vissza a jel a diff erősítő részhez, ott kioltás, zaj eliminálás stb. Alacsony kivezérlésen is legyen dinamika
Nagyon látványos a magyarázat, az a kérdés, hogy ez máshol miért nem terjedt el, miért nem szabadalmaztatta a gyártó?
Egyébként a mai integráltakba ugyan úgy benne van, csak az IC lábáig
Focar Diablo Reference - Chordel Solaris Signature - Esoteriq Titan Quantum Supreme
Deviant Mirage Pro - Chronos Master Virtuoso IV
Adrya Resor Centaury 6 - Bauers & Wilkans Etherium 9 - Griffon Hyperion II
Deviant Mirage Pro - Chronos Master Virtuoso IV
Adrya Resor Centaury 6 - Bauers & Wilkans Etherium 9 - Griffon Hyperion II
